欢迎来到上海三优电子科技有限公司-台湾永宏产品展示平台!

18901647561

扫一扫
服务咨询热线
加微信

上海三优台湾永宏产品联合展示平台

产品展示
Product display
  • FATEK 伺服 DA6-0003H2G04S
  • FATEK 伺服 DA6-0003H2G00S
  • FATEK 称重模块 FBS-1LC
  • FATEK M系列PLC MQ2M3-1616T
  • FATEK HB1-10MBT25-D24SA
名称描述内容
关于我们
aBOUT US

上海三优电子科技有限公司

上海三优电子科技有限公司是一家专业研究、开发、代理、销售电子、电气及工控产品的高科技股份制企业。公司创业至今一直本着“创造完美,服务社会”的宗旨,以发展和提高民族工业自动控制水平为己任,积极引进国外的先进技术及产品,结合自身的市场网络优势,为国内的工业、企业提供了一流的技术和服务。经过公司全体员工的不懈努力,现公司代理经营的“WEINVIEW台湾威纶” 人机界面、“ANV台湾士研”系列继电器、“CKC台湾松菱”系列继电器、“Theben德国泰邦”系列控制器、“EVIEW 人机界面、“KINCO 步进系列、“WEINVIEW台湾威纶” 人机界面、“HEDSS德国海德” 编码器、“UUU三优”系列定时器等产品已在同行业中享有较高声誉。
   
       
维护诚信,服务客户是“三优”永远不变的行为准则。经过全体员工的不懈努力,三优电子已逐渐发展成为集产品研发、代理销售及工程服务于一体的全方位综合公司。
 
代理产品:
      
WEINVIEW台湾威纶” 人机界面、”Shihlin台湾士林电机”全系列、”TECO台湾东元“全系列、”DELTA台达电气”全系列、“ANV台湾士研”系列继电器、“CKC台湾松菱”系列继电器、“Theben德国泰邦”系列控制器、“EVIEW 人机界面、“KINCO 步进系列、“FATEK台湾永宏”PLC全系列、”SAJ三晶变频器“、”Samkoon深圳显控“人机界面、“HEDSS德国海德” 编码器等品牌。
 
       
三优公司还可为广大用户提供电气工控产品整体解决方案包括:整体选型、设计、报价、集中供应、集中配送等服务,让您的工程项目、机械设备的电气部分更具市场竞争优势。公司全体员工热烈欢迎全国各大科研院所、院校企事业单位的有识之士、业务精英加盟、合作、共同发展。

       您的满意是我们服务的宗旨,您的信赖是我们永远的追求!

 


查看更多
工程案例
Engineering case
  • 面包成型流水线解决方案
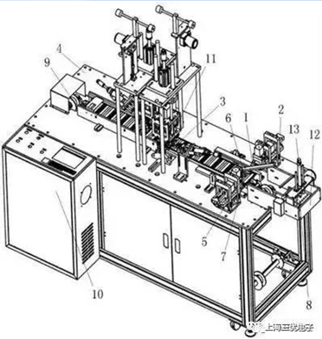
  • 永宏在口罩机上的应用
  • 制杯机取杯机械手
  • EPS板材机电气控制系统
  • 挤塑机电气控制系统
  • 全自动花生真空包装机电气控制系统
  • 灌装机电气控制系统
  • 自动包馅机电气控制系统
  • 纸箱印刷包装机电气控制系统
  • 称重包装机电气控制系统
  • 面包切块机电气控制系统
  • 月饼成形机电气控制系统
  • 蔬菜加工设备电气控制系统
  • 蛋糕西点机电气控制系统
  • 萨其马分块机电气控制系统
  • 蛋糕充填机电气控制系统
  • 自动煎饼机电气控制系统
  • 啤酒无压力输送线电气控制系统
  • 自动食用油装箱机电气控制系统
  • 空调控制系统
全国服务热线:
新闻资讯
Cooperative partner
联系我们
Contact us

上海三优电子科技有限公司

优质、优价、优服